Todos los circuitos que se incluyen en esta sección son los que estamos utilizando con mis alumnos en nuestra máquina, y vamos a comenzar así...
.: Fuente de Alimentación
El circuito es muy sencillo, consiste en una fuente doble, es decir, vamos a controlar dos tensiones distintas, una será para la interfaz, y la otra para alimentar los motores, como los que yo tengo son de 12 voltios, utilicé un regulador de tensión 7812, y para la interfaz un 7805, los transformadores, obviamente corresponden al nivel de tensión a utilizar, el de los motores es de 1A, y el otro más pequeño es de 300 mA, aquí tienes el esquema del circuito...
Antes que lo olvide, ves esos cuadros violetas, bueno, se conocen como puentes rectificadores, creo que no los habíamos incluido en ninguno de los circuitos que vimos hasta ahora, en realidad están reemplazando a los típicos 4 Diodos, que son los que se usan comúnmente, lo que tienen de bueno es que simplifican un poco el circuito, a demás los puedes encontrar en las fuentes de alimentación que solían venir en las antiguas PC's, que si seguramente tienes una inservible, puedes sacarlo de allí, aquí tienes una imagen de este componente...
Como verás, los polos están marcados cada uno con su signo, que son los terminales de ambos extremos y los dos del centro son las entradas de corriente alterna.
El valor de los Capacitores, C2, C3, C5 y C6 es de 0.1uf, preferiblemente de Poliester, C1 es de 2200uf/16V y C4 de 2200uf/35V. Sería bueno que le coloques disipadores a los reguladores de tensión, para evitar que se dañen, o que comiencen a recalentar. Aquí las 3 típicas imágenes del pcb...

Vista superior Vista del lado del cobre Vista Real
El resto del circuito, consiste en dos módulos, uno de ellos es la interfaz para el Puerto Paralelo, y el otro es la Controladora de Motores...
.: Interfaz para el Puerto Paralelo.
Cuando armamos esta interfaz, teníamos pensado incorporar varios sensores en la máquina, por ejemplo, los fines de carrera, que son los que indican si la máquina llegó al extremo final de su recorrido, otros sensores en el mini-taladro para calcular la distancia a la cual se encuentra la herramienta respecto de la pieza de trabajo, y otros más, que si llegamos a incorporarlo, seguramente se van a enterar.
Por esta razón habíamos previsto una interfaz completa, a demás, como los chicos recién estaban familiarizándose con este puerto, le pusimos unos LED's para que pudieran practicar y ver como se envían las señales, así que este módulo también podría servir de entrenador para el Puerto.
Por lo pronto, no le prestes atención a la bornera de 6 contactos ni al array de resistencias que se encuentra en la foto, ya que por ahora no están siendo utilizados, de todos modos, el circuito para las entradas se encuentra descrito en el tutorial de puerto paralelo.
Pero veamos lo que sí se está utilizando.
Las señales de salida que controlan los motores, vienen del Registro de Datos (bloque superior del esquema) y del Registro de Control (el de abajo)
No grafiqué el puerto para que no te hagas un lío con tantas líneas, a demás a estas alturas ya estás más que familiarizado con los pines de este puerto. Los conectores CN1 y CN2 son las salidas de esta interfaz y que luego se unirán a la controladora de motores, que por cierto también es muy sencilla, debes tener en cuenta la configuración de los Buffers ya que se trata de un buffer bidireccional, es decir que las señales pueden ser en doble sentido, según la tabla de verdad de este integrado, tal como está, los pines A0...A7 harán de entradas y los B0...B7 serán salidas. La fuente de alimentación para esta etapa es la de 5V. recuerda unir la masa de ésta con la del puerto, para que la comunicación tenga efecto.
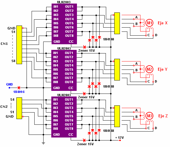
.: Controladora de Motores.
Había pensado utilizar transistores, pero para estos motores no fue necesario, recurrimos al tan conocido ULN2803, pero en una configuración un poco extraña, aunque dio muy buenos resultados, es más, los días de exposición de la máquina, la sometimos a funcionar casi el día completo sin ninguna complicación, bueno, el esquema es el que sigue...
Cada ULN se encarga de manejar la corriente suficiente para un motor, y para que le resulte más liviano se unieron de dos en dos las entradas y las salidas de cada uno, hay que prestarle atención a la polaridad de los diodos 1N4148, que se utilizan como protección para los integrados, por allí apareció un diodo 1N4004 que viene de la masa del circuito anterior, y que hace de retorno de las señales enviadas por la interfaz.
A pesar de que los integrados no calientan, sería bueno colocarles un disipador, sólo por una cuestión de seguridad, recuerda también que se trata de motores PaP unipolares y que trabajan a una tensión de 12 voltios.
Bueno, eso es todo, ahora veamos todo junto...
Aquí dejo los pcb de los tres circuitos, eso sí, please...!!! Primero prueba que todo funcione correctamente y luego lánzate a montar los circuitos, no quiero que luego llenes mi correo con quejas extrañas como... No funciona...!!! Tu circuito no sirve...!!!, o algo parecido.
Un pequeño detalle, he quitado del pcb de la interfaz todo el circuito de entrada, puesto que hasta ahora no está siendo utilizado, de todos modos si lo quieres agregar, te cuento que es el mismo que se encuentra en el tutorial de puerto paralelo.
Más adelante quizás lo cambie para comenzar a hacer multiplexiones, o hasta quizás cambiemos de puerto, o lo hagamos con un microcontrolador, bueno no se...
Aquí queda...
R-Luis...
Tabla de Referencias
|