.: Secuenciador de 32 Canales Controlado por PC.
Hace un tiempo atrás, que hemos estado trabajando en este tema a fin de corregir algunas dificultades que se presentaron en este proyecto que originalmente fue descargado de Discolitez, les recomiendo visitar esta web, por todas las novedades que tiene actualmente.
En propuesta de uno de mis alumnos asumimos el desafío, y los resultados los estamos desfrutando desde hace 3 años.
La idea era controlar de forma individual el encendido de 32 lámparas, hasta que al fin lo logramos, aunque le hicimos un par de modificaciones.
Para empezar, modificamos la interfaz. Debido al cruce de pistas en el diseño del PCB, buscamos un nuevo integrado que cumpla con las mismas características que el original, y apareció... En la actualidad contamos con 2 circuitos similares y controlamos 64 canales con dos puertos paralelos, la velocidad del soft es muy alta y funciona tanto en Win'98 como en Win'Me, con WinXP no obtuvimos buenos resultados, al menos por ahora.
Actualmente estamos en la etapa de diseño de nuestro propio soft, y en cuanto salga tendrán noticias de ello.
Nuestro primer circuito fue construido con un integrado 74LS374 y que todavía sigue funcionando, este integrado posee las mismas características que el 74LS574, lo único que los diferencia es la disposición de pines, observa la imagen...
La nueva interfaz fue construida con 4 integrados 74HCT574, se trata de un Flip-Flop octal tipo-D, es decir que tiene 8 flip-flop tipo-D aquellos que cambian con cada pulso de reloj, también cuenta con salida 3-state, es decir que las salidas pueden adoptar tres estados, (alto, bajo y de alta impedancia).
Bien, en ambos integrados, el dato en las entradas se transmite a las salidas (C o Q) en cada transición de pulsos de reloj de bajo-a-alto presente en la entrada CLK (o entrada de reloj), veamos como lo hace...
| INPUTS
|
OUTPUTS
|
| OC |
CLK |
D |
C o Q |
| L |
H |
H |
H |
| L |
H |
L |
L |
| L |
L |
X |
Q0 |
| H |
X |
X |
Z |
Cuando la entrada CLK es alta, las salidas Q toman los niveles de los datos D de las entradas, Cuando CLK pasa a nivel bajo el Flip-Flop retiene el nivel de los datos de salida, y los mantiene en ese estado hasta que vuelve a cambiar de nivel, momento en el cual transmite el nuevo dato que se encuentra en las entradas.
El terminal (OC) puede usarse para poner las 8 salidas en un estado lógico alto o bajo, o de alta-impedancia. OC no afecta el funcionamiento interno de los latchs o flip-flops. Es decir, los datos viejos pueden retenerse o los nuevos pueden entrar en los datos, incluso mientras las salidas están en off, si este pin pasa a nivel alto las entradas de dato y de reloj quedan sin importancia y las salidas Q quedan en un nivel de alta impedancia. Analiza la tabla de verdad de estos integrados...
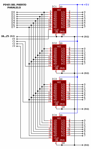
El esquema del circuito es muy sencillo, y consiste en la implementación de 4 integrados similares, que comparten el bus de datos del puerto paralelo, cada uno de estos integrados se habilitan mediante el pin CLK conectado a los pines de control del puerto paralelo de tal forma que el esquema del circuito es el siguiente...
74HCT574 74LS374
En este esquema se representa el circuito con 4 integrados 74LS574 (los cuales no pude conseguir, en lugar de ellos utilicé los 74HCT574), por otro lado y para que compares, también incluí el mismo circuito pero para el 74LS374, como verás lo único que cambia es la distribución de los pines del integrado (entradas y salidas), la fuente de alimentación utilizada es la misma que se describe en uno de nuestros primeros proyectos, construida con un regulador de tensión 7805, cabe aclarar que este circuito no posee protección para el puerto, por lo que se debe tener mucho cuidado en la conexión del mismo, es decir, si te mandas alguna..., pagarás las consecuencias..., se entiende...???
Yo te diría que primero armes el circuito en una placa de pruebas (protoboard) utilizando Diodos LED's para la salida y conectando el cátodo de los mismos a GND de la fuente, y una vez verificado recién montarlo en un impreso, con zócalos claro está.
La etapa de potencia puede ser la misma que utiliza el proyecto CQPIC, con la diferencia que esta vez las entradas que van al opto lo harán por el ánodo del mismo y el cátodo irá unido a GND, así...
En esta etapa de potencia también incluí una lámpara para que te guíes como conectarlas, todas estas comparten un sólo terminal común unido a la corriente alterna de 220V.
Aquí tienes un par de imágenes del pcb tanto para la interfaz como para la etapa de potencia, esta interfaz está diseñada para el integrado 74HCT574.
La primera versión del circuito que fue montada con 4 integrados 74LS374 la puedes ver desde aquí...
Para armar el cable del puerto utiliza dos conectores macho, y únelos pin a pin, es decir el 1 con el 1 el 2 con el 2 etc. los pines 18 al 25 deben ir todos unidos a un sólo cable.
Lo más importante aquí es que para ver este secuenciador funcionando necesitarás el soft, que puedes descargarlo directamente desde su propia página.
Una vez lo tienes, lo descomprimes y lo ejecutas, no requiere instalación, más fácil todavía, luego carga el efecto de luz que más te guste, y le das a play, aquí hay uno efecto ejecutándose, observa...
Por cierto no olvides descargar DLO_DELUXE32.DLL se trata de la dll que controla la transmisión de datos al puerto y que también está disponible en el mismo sitio.
Para cargar la dll apunta al menú Hardware Output --> Load DLOP... y selecciona la dll, luego configura el puerto, te diriges a Hardware Output --> Configure DLOP... y selecciona $378 en la lista desplegable (que es justamente el puerto paralelo, "de impresora...!!!"), finalmente le das a Ok y ya está...
Yo creería que está completo solo resta dejar todo en tus manos así que aquí lo tienes, y si algo se me olvida... a consultar, que más...
Lo único que no se incluye en este archivo zip es el circuito de fuente que ya está descrito en proyectos anteriores, ni el soft, por una cuestión de derechos de autor, pero tienes toda la posibilidad de bajarlo desde su propio sitio, más no se puede pedir...!!!, este archivo zip contiene...
cq32_374.PWZ el pcb en PCBWizard para el 74LS374
cq32_574.pwz el pcb en PCBWizard para el 74HCT574
cq32.html esta página
imagen el directorio de imágenes
stile.css La hoja de estilos
leame.txt un par de comentarios...
Bien, aquí les dejo un par de imágenes de los carruajes en los cuales los efectos de luces fueron controlados por este circuito, claro que la alimentación aquí, es trifásica, de otro modo, la línea de 220 no soportaría la carga :o))
 Año 2002
Año 2003
 Año 2004 |
 Año 2004 |
 Año 2004 |
Para ver una animación de los efectos que se pueden realizar, ingresa por el siguiente vínculo.
Año 2005.-
Una de las ventajas de utilizar estos circuitos en los carruajes, es que a cada uno de los 64 canales, (por que son 2 los secuenciadores utilizados) se le conectan entre 10 y 15 lámparas de 40 o 25 watts respectivamente, NO MAS DE ESO...!!! y así no es necesaria la utilización de Contactores (una brutalidad de Relés...!!!, para quién no los conozca...!!!), bueno puedes sacar cuentas la cantidad de lámparas que se utilizan en estos proyectos, eso sí, lo nuestro es sólo un carruaje, imagínate los otros colegios que hacen carrozas...!!!
Bien, Espero lo disfruten...
Por cierto, y a ver quién nos da una mano, uno de los inconvenientes en la etapa de potencia es que de vez en cuando se nos pegaron unos triac's, lo cual supongo, es una cuestión de carga, ya que estos triac's no disponían de disipador alguno, o quizás el problema está en el circuito en sí, bueno, si alguien tiene otra respuesta, ya saben como contactar, nos será de gran ayuda...
Saludos para todos...!!!
R-Luis...
|